中文版
中文版
English
Español
Français
русский
Deutsch
Tiếng Việt
多宝在线开户业务
|
AIDC智算中心储能
通信储能
新型电力储能
其他场景
多宝在线开户公司
|
集团简介
企业文化
发展历程
多宝在线开户创新
多宝在线开户荣誉
多宝在线开户品质
社会责任
环保信息
多宝在线开户服务
|
合作客户
联系我们
多宝(中国)
|
公司新闻
展会预告
宣传资料
在线招聘
|
热招职位
校园招聘
学习与培训
投资者关系
|
公告及通函
双登商城
网上展厅
客户端下载
环保信息
当前位置:
首页
>
多宝在线开户公司
>
环保信息
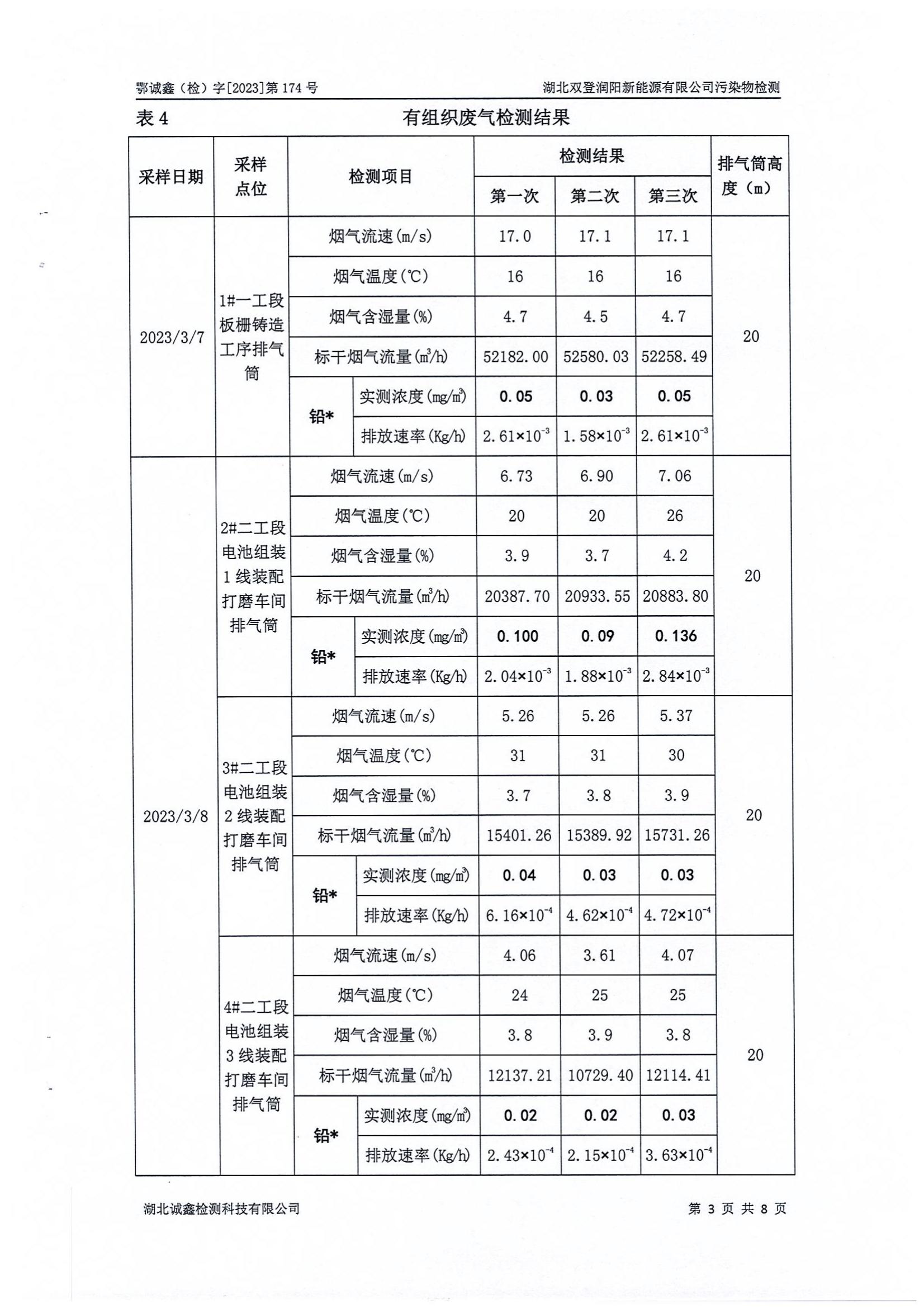
> 2023年3月份 174 湖北双登润阳新能源有限公司污染物检测
2023年3月份 174 湖北双登润阳新能源有限公司污染物检测
2024-01-17 17:08:45 来源: 双登集团
扫描关注我们
的中文微信
扫描关注我们
的英文微信
完美电竞官网首页
|
星空中文网官网
|
乐鱼入口
|
AC米兰官网首页
|
安博球赛
|
万利官网(中国游)国际登录入口
|
乐鱼全球
|
众博电子竞技
|
ledong首页
|